Author: Chris
Low dropout (LDO) regulators play a crucial role in modern electronic products such as smartphones, wearable devices and other portable small devices. Due to their efficiency and reliability, their integration in system-on-chip (SoC) architectures is becoming increasingly common. However, the wide variety of on-chip LDO options and features makes the selection process extremely complex.
Before choosing an LDO, it is very important to clearly define the specific requirements of IC design. Factors such as voltage regulation requirements, power supply efficiency, noise sensitivity and physical constraints need to be taken into consideration. To select the appropriate LDO for your application, you must first clarify the specific requirements and determine the key criteria.

To determine the best LDO, it is necessary to understand the various existing types and their unique characteristics.
The types of LDO
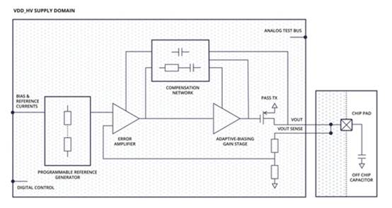
Programmable LDO
These Ldos allow the output voltage to be set digitally either through an external resistor or via a control input. It is typically seen in applications with multiple power supply modes, requiring one voltage in active mode and another in sleep mode.
Fixed output LDO
These Ldos offer a fixed output voltage pre-determined by the manufacturer. It is easy to use and is usually applied in situations where a specific voltage is always required.
Ultra-low differential pressure LDO
The design pressure difference of the LDO is less than 200mV. It is highly suitable for applications that need to achieve high efficiency by minimizing voltage loss between input and output, and is typically used to provide additional power suppression for applications that require large currents driven by DC-DC.
Low-noise LDO
These Ldos offer stable output with minimal electrical noise. It is often used in sensitive analog circuits, RF circuits and other noise-sensitive applications.
High PSRR LDO
Ldos with a high power supply rejection ratio (PSRR) are designed to suppress variations and noise in the input power supply. It is usually found in applications where the input power quality is unreliable and the drive circuit is sensitive, such as audio and communication systems.
无电容LDO
大多数LDO都需要片外输出电容器才能有效运行。无需片外输出电容器即可提供所需性能的LDO称为无电容LDO。无电容LDO非常适合对空间要求严格的应用,例如智能手机和可穿戴设备。
External bias LDO
These Ldos need to use external capacitors at the output end (and sometimes at the input end) to ensure stability. It is suitable for applications with high output current or those requiring precise performance adjustment, such as sensitive analog circuits, RF applications and high-performance digital systems.
High-current LDO
Compared with standard Ldos, they can provide a higher output current. It is usually used in applications that require a large amount of current, such as providing digital power for microprocessors or other high-power components.
Low quiescent current LDO
LDO is designed to consume extremely low quiescent current when there is no load. It is most suitable for the normally open domain in battery-powered devices, where power efficiency and battery life are of crucial importance.
Key performance indicators
When choosing an LDO, some basic factors need to be considered to ensure that the selected LDO meets the specific requirements of your application.
Loss voltage
This is the minimum difference between the input and output voltages required for the normal regulation of the LDO. Although Ldos are designed to operate under low voltage differentials, a minimum difference is still required between the input and output voltages. A lower voltage difference is beneficial for improving efficiency and is crucial for applications with low input voltages, but it usually leads to noise and PSR damage.
Static current
This is the current consumed when the LDO does not provide the load current. Low quiescent current is crucial for battery-powered applications and can maximize battery life. High quiescent current will reduce overall efficiency and battery life.
Load regulation
This measures the LDO's ability to maintain a constant output voltage when the load current changes. The LDO must maintain a stable output voltage regardless of how the load current changes. High transient loads can cause variations in output voltage, which may damage sensitive electronic components.
Line regulation
This is to maintain a constant output voltage when the input voltage changes. These changes will affect the output voltage. Although Ldos usually offer good line regulation, significant fluctuations in input voltage can pose challenges.
Therefore, it is very important to keep these key matters in mind.
Output voltage accuracy
Check the tolerance and reference voltage accuracy to ensure that the LDO can provide the required output voltage with high precision. The efficiency of an LDO is directly related to the ratio of the output voltage to the input voltage, which can lead to power loss and heat generation.
Maximum input voltage
Ensure that the maximum input voltage rating of the LDO is higher than the highest voltage it encounters in the application.
Output current capacity
Confirm the continuous and peak current ratings to ensure that the LDO can provide the maximum current required by the application。
Output noise and PSRR
Check the output noise and PSRR. Low-noise Ldos are crucial for sensitive analog circuits, and low output noise requires careful design and selection of components. High PSRR is necessary for suppressing power supply noise. Poor PSRR can cause input noise to be transmitted to the output, thereby affecting the performance of the power supply circuit.
Temperature performance
Evaluate the thermal performance and thermal resistance of the LDO to ensure it can dissipate heat effectively. The LDO must operate reliably over a wide temperature range because its performance may decline at extreme temperatures, thereby affecting parameters such as differential pressure, PSRR and stability.
The progress of LDO
LDO is an indispensable part of the core IP module, but choosing the right LDO solution is no easy task. The traditional LDO market has been fragmented for many years, making it impossible to find a simple LDO solution. Ldos have numerous requirements and often conflict with each other, so there is no one-size-fits-all solution for all applications. Chip designers have to make compromises, choose the relatively best solution and use workarounds.
Fortunately, with the latest developments in LDO, there is now another approach. IP vendors such as Agile Analog offer a full range of customizable and process-independent Ldos, so there is no need for compromise or workaround. These advancements in LDO are of great significance and help make the work of chip designers much easier.
免责声明: 本文章转自其它平台,并不代表本站观点及立场。若有侵权或异议,请联系我们删除。谢谢! Disclaimer: This article is reproduced from other platforms and does not represent the views or positions of this website. If there is any infringement or objection, please contact us to delete it. thank you! |